Eric M. Dullavin

Project

Eduscena Homeschool App

Role

Co-founder • Product & UX & Development

Period

2024–2026

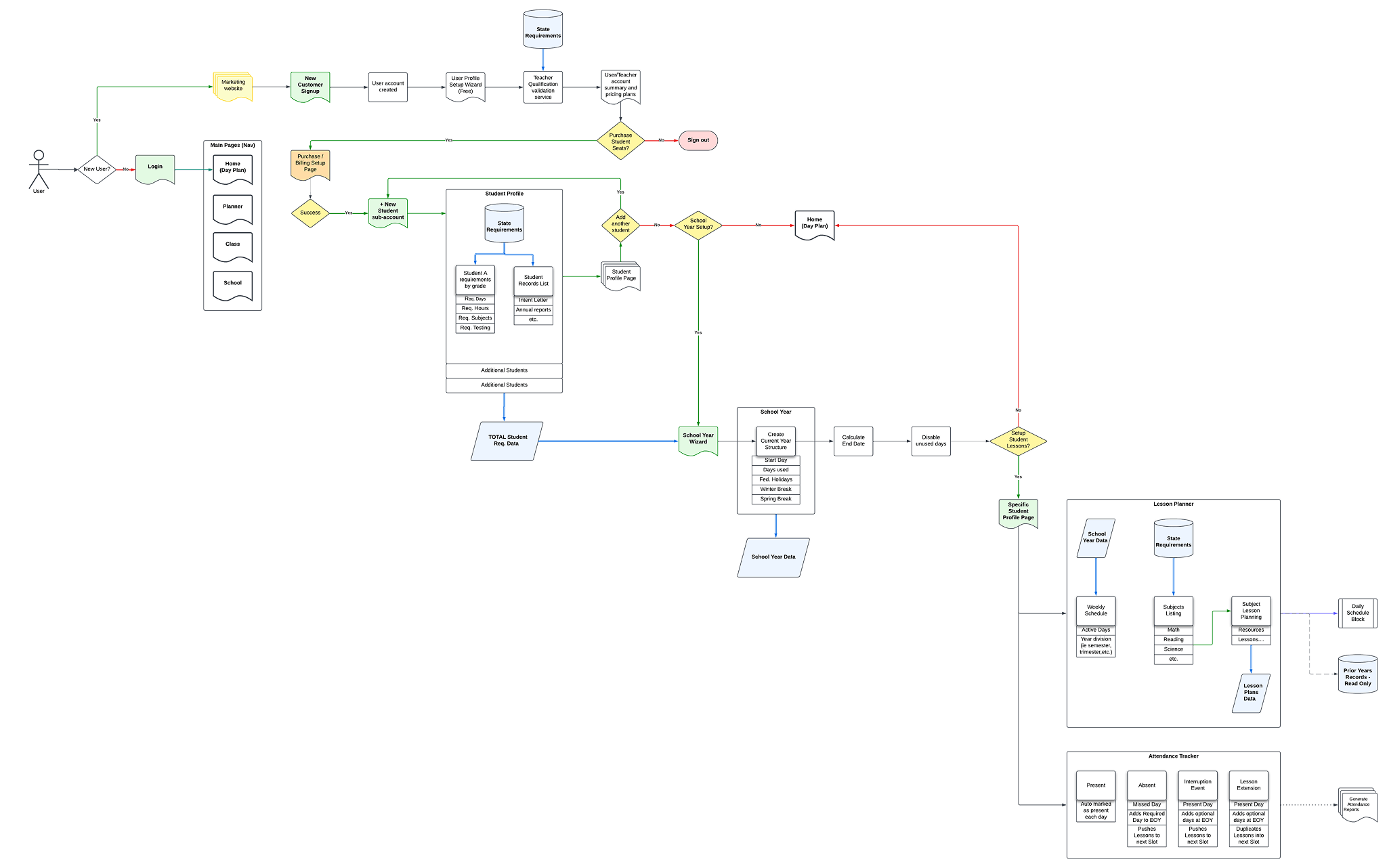
Eduscena is an online homeschool administration platform my wife and I built to give parents clarity, flexibility, and confidence while meeting state requirements.

Adaptive schedules

Plans auto-adjust when life happens

Compliance ready

Attendance & state requirements built in

Reusable lessons

Save and reuse unit studies across kids

Gallery

01

The problem

Homeschool parents juggle planning, compliance, and documentation without losing the freedom they value.

Real-world scheduling

Families needed a single place to plan lessons across multiple children, automatically handle attendance, and stay aligned with their state's requirements. Existing tools were either rigid (built for traditional schools) or too lightweight, forcing parents into spreadsheets and ad-hoc documents.

02

Discovery & research

Grounded in the realities of new and seasoned homeschoolers.

Real-world scheduling

I interviewed homeschooling parents and co-ops to map the day-to-day workflow: weekly planning, mid-day schedule shifts, documenting learning moments, and preparing reports. We heard consistent pain around "life happens" rescheduling, proving compliance without over-documenting, and reusing lessons for younger siblings.

These insights shaped two guided entry points on the marketing site—one for new homeschoolers who need structure, and one for experienced parents who want efficiency without losing control.

03

Key decisions & constraints

Designing for flexibility, not chaos

Parents needed to bump lessons for sick days or add field trips without breaking the plan.

Solution:

Built an automated scheduler that shifts lessons and attendance totals instantly while preserving mastery-based pacing.

State compliance without bureaucracy

Families wanted clarity on what's required without feeling surveilled.

Solution:

Embedded state requirements into the planner so attendance and documentation stay in lockstep with local rules.

Serve new and veteran homeschoolers

Different mindsets: guidance-first for newcomers vs. speed and reuse for veterans.

Solution:

Split journeys on the site and in-product onboarding, with reusable lesson libraries and templates for power users.

Reduce setup time

Parents dreaded rebuilding plans each year for multiple kids.

Solution:

Introduced a lesson library to clone and adapt unit studies across children while tracking individualized pacing.

04

Process & methodology

From marketing promise to product workflows.

Real-world scheduling

Built an automated schedule engine that reacts to absences and events. Parents can drag lessons, extend mastery time, and the system recalculates the school year and attendance totals automatically.

Compliance baked in

Integrated state requirement tracking so parents see what matters for their region—attendance, subjects, and evidence. Reports stay export-ready without extra data entry.

Lesson library for reusability

Created a reusable lesson library that stores unit studies, resources, and assessments. Parents can assign the same lesson to multiple children, then personalize pacing and mastery per student.

05

Results & impact

Planning time saved

Hours

Reduced weekly planning by automating schedule shifts and attendance.

Single source of truth

One

Unified schedule, attendance, and requirement tracking in one place.

Lesson reuse

Library

Reusable unit studies cut setup for additional children.

Parents report less time in spreadsheets and more confidence meeting state requirements. The marketing site funnels families into tailored paths—new homeschoolers get onboarding help, while seasoned parents jump straight into planner and library features.

06

Testimonial

I wish I’d had Eduscena from the start of our homeschooling journey. This app makes record keeping a dream! Everything I need is in one place.

Kisha E.

Homeschool Parent

07

What I’d do next

I'll be actively monitoring user feedback and engagement metrics to identify areas for improvement. Future iterations could include enhanced reporting features, integrations with educational resources, and mobile app development to support on-the-go access for busy parents.